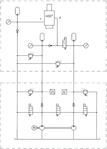
Hybridantrieb sorgt für Dynamik und Präzision bei Stanzmaschinen

Zurück zum Artikel