- Schwerpunkt KI
- Best of Industry 🏆
- MM-Events
- Produktion & Fertigung
- Management & Strategie
- Nachhaltigkeit & Energie
- Automatisierung & Robotik
- Konstruktion & Entwicklung
- Smart Manufacturing
- Forschung & Innovation
- Corona Spezial
- Betriebstechnik & Materialfluss
- EMO Hannover 2025
- MM International
- Additive Fertigung
- Specials
- Services
KraussMaffei Technologies GmbH
Krauss-Maffei-Str. 2 ⎢ 80997 München ⎢ Deutschland ⎢
Routenplaner
Artikel | 19.02.2019
Partner von der Idee bis zum serienreifen Compositeteil
Artikel | 29.01.2019
Krauss-Maffei plant Umzug nach Parsdorf
Artikel | 17.01.2019
Kraus Maffei ist nun an Shanghaier Börse notiert
Artikel | 21.11.2018
Spritzgießmaschine im Jubel-Design ziert nun Wirthwein-Fertigung
Artikel | 25.07.2018
Spezialverfahren senkt Kosten beim Schaumspritzguss
Artikel | 05.07.2018
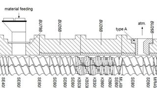
Neues Softwaretool konfiguriert Schnecken schneller
Artikel | 21.06.2018
Verdoppelte Kapaziät bei der Extrusion von Biocompounds
Artikel | 26.03.2018
Fünflagige PP-R-Rohre mit Glasfaserverstärkung extrudieren